技术热线: 4007-888-234

电动车铅酸蓄电池的脉冲快速充电设计

更新时间: 2019-03-23
阅读量:3121

电动车铅酸蓄电池的脉冲快速充电设计

       摘要:对快速充电原理进行了阐述,针对蓄电池充电过程中出现的种种问题,采用了分级定电流的脉冲快速充电方案,提出了充电器的硬件电路和控制软件的设计方案。该充电方案对充分发挥蓄电池的功效,提高对蓄电池的充电速度,减少充电损耗,延长蓄电池的使用寿命具有重要意义。

关键词:电动车;铅酸蓄电池;脉冲快速充电

 

0    引言

       以动力蓄电池为能源的电动车被认为是21世纪的绿色工程,它的出现将汽车工业的发展带入了一个全新的领域。目前,电动车核心部件中的电动机、控制器和车体三大部件在理论和技术上已较为成熟,而另两大部件蓄电池、充电器的发展还不能满足电动车的要求,有一些理论和技术问题还有待攻关,现已成为影响电动交通工具发展的瓶颈。

       目前,我国的电动车用动力蓄电池大多为铅酸蓄电池,这主要是由于铅酸蓄电池具有技术成熟、成本低、电池容量大、跟随负荷输出特性好、无记忆效应等优点。当然,也有一些高性能电池,比如锂电池、燃料电池等。锂离子电池电动车在深圳已投入试运营,由上海研制的第二代燃料电池轿车“超越二号”也于2004年5月在北京的国际氢能大会上露面,但都还未能得到广泛的推广应用。虽然近年来蓄电池自身的技术有了不小的进步,但作为其能量再次补充的充电器的发展非常缓慢,传统的常规充电时间过长,快速充电技术至今仍未能完全解决,严重地制约着电动车的发展。

       自铅酸蓄电池问世以来,由于各种技术条件的限制,所采用的充电方法均未能遵从电池内部的物理化学规律,使整个充电过程存在着严重的过充电和析气等现象,充电效率低。电动车用动力蓄电池与一般蓄电池还有所不同,它以较长时间中等电流持续放电为主,间或以大电流放电,用于起动、加速或爬坡。一般来说,电动车用蓄电池多工作在深度充放电工作状态。因此,对电动车用动力蓄电池的快速充电提出了不同于常规电池的要求,它必须具有充电时间短、对蓄电池使用寿命影响小以及充满电判断准确的特点。

1    脉冲快速充电法的理论基础

       理论和实践证明,蓄电池的充放电是一个复杂的电化学过程。一般地说,充电电流在充电过程中随时间呈指数规律下降,不可能自动按恒流或恒压充电。充电过程中影响充电的因素很多,诸如电解液的浓度、极板活性物的浓度、环境温度等的不同,都会使充电产生很大的差异。随着放电状态、使用和保存期的不同,即使是相同型号、相同容量的同类蓄电池的充电也大不一样。

       1972年,美国科学家马斯在第二届世界电动汽车年会上提出了著名的马斯三定律,即

       1)对于任何给定的放电电流,蓄电池充电时的电流接受比a与电池放出的容量的平方根成反比,即


a=K1/(1)式中:K1为放电电流常数,视放电电流的大小而定;    

  C为蓄电池放出的容量。由于蓄电池的初始接受电流Io=aC,所以

       Io=aC=K1(2)

   2)对于任何给定的放电量,蓄电池充电电流接受比a与放电电流Id的对数成正比,


      a=K2logkId(3)式中:K2为放电量常数,视放电量的多少而定;      k为计算常数。  

    3)蓄电池在以不同的放电率放电后,其最终的允许充电电流It(接受能力)是各个放电率下的允许充电电流的总和,即: 

     It=I1+I2+I3+I4+…

(4)式中:I1、I2、I3、I4…为各个放电率下的允许充电电流。      

综合马斯三定律,可以推出,蓄电池的总电流接受比可表示为  

    α=It/Ct(5)式中:Ct=C1+C2+C3+C4+…

为各次放电量的总和,即蓄电池放出的全部电量。

     马斯三定律说明,在充电过程中,当充电电流接近蓄电池固有的微量析气充电曲线时,适时地对电池进行反向大电流瞬间放电,以消除电池的极化现象,可以提高蓄电池的充电接受能力,如图1所示。也就是说通过反向大电流放电,可以使蓄电池的可接受电流曲线不断右移,同时其陡度不断增大,即α值增大,从而大大提高充电速度,缩短充电时间。

2016062716584388115.jpg

  马斯三定律的提出至今已有30多年,目前为止这一理论虽未得到有效的验证,但在理论上和实践上都证明了它的可行性,脉冲快速充电法正是基于这个理论而提出的一种快速充电方式。

2    充电方法设计

       基于上述理论,并考虑到铅酸蓄电池自身的一些特性,本文介绍的快速充电装置所采用的充电方法将整个充电过程分为了预充电、脉冲快速充电、补足充电、浮充电4个阶段,如图2所示。根据蓄电池充电前的残余电量,进入不同的充电阶段。

2016062716584395964.jpg

2.1    预充电

       对长期不用的电池、新电池或在充电初期已处于深度放电状态的蓄电池充电时,一开始就采用快速充电会影响电池的寿命。为了避免这一问题要先对蓄电池实行稳定小电流充电,使电池电压上升,当电池电压上升到能接受大电流充电的阈值时再进行大电流快速充电。

2.2    脉冲快速充电

       在快速充电过程中,采用分级定电流脉冲快速充电法,将充电电流分成三级,如图3所示。开始充电时采用大电流,随着电池容量的增加,电压逐渐升高,电流等级开始降低,使充电电流的脉冲幅度和宽度随蓄电池端电压的升高而分级减小。采用这种方法可以消除充电接近充满时易出现的振荡现象及过充电问题。

2016062716584328539.jpg

  在脉冲快速充电过程中,电池电压上升较快,当电压上升至补足充电电压阈值时,转入补足充电阶段。

2.3    补足充电

       快速充电终止后,电池并不一定充足电,为了保证电池充入100%的电量,对电池还要进行补足充电。此阶段充电采用恒压充电,可使电池容量快速恢复。此时充电电流逐渐减小,当电流下降至某一阈值时,转入浮充阶段。

2.4    浮充电

       此阶段主要用来补充蓄电池自放电所消耗的能量,只要电池接在充电器上并且充电器接通电源,充电器就会给电池不断补充电荷,这样可使电池总处于充足电状态。此时也标志着充电过程已结束。

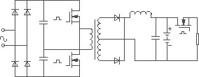
3    充电电路设计

3.1    充放电硬件电路设计

       主电路采用半桥功率变换电路,如图4所示。在半桥式功率变换器中,功率管所承受的最大电压与正激式或反激式变换器中功率管承受的电压相比要小。这样可以选用耐压值低的MOSFET,使导通电阻相应下降,同时也降低了导通损耗。用集成PWM控制芯片SG3525结合半桥式功率变换电路共同组成充电器的功率变换部分。

2016062716584415980.jpg

   与单片机相连的检测电路的充电电压由分压精密电阻取得,经过相应的放大后送至单片机的A/D口;充电电流经过精密电阻采样、放大,然后也送至单片机的A/D口;蓄电池温度经过温度传感器,将对应的电压量放大后送至单片机的A/D口。

3.2    软件设计

       本系统软件部分的主要功能是,通过对蓄电池状态的检测,使充电转入不同的充电阶段;进入不同的充电阶段后,通过一定的算法,改变SG3525的输出脉冲宽度,实现各个不同阶段的充电;暂停充电和终止充电的控制;并显示充电器当前状态。软件流程图如图5所示。

2016062716584481535.jpg

4    结语

       本文介绍的单片机控制的铅酸蓄电池脉冲快速充电系统,采用分级定电流脉冲快速充电法,在整个充电过程中,随着充入电池电量的增加逐步降低充电电流等级,使铅酸蓄电池的充电接受率显著提高,充电时间大大缩短,且减小了对电池寿命的影响。

       电动车不断发展的同时也在推动蓄电池自身性能的不断提高,还有电力电子器件的发展以及计算机控制在工业上的广泛应用,为适应不同用户及部门的要求,各种智能化的充电设备也正在兴起。