技术热线: 4007-888-234

实时时钟DS1302与超级电容

更新时间: 2019-03-23
阅读量:4092

实时时钟DS1302与超级电容

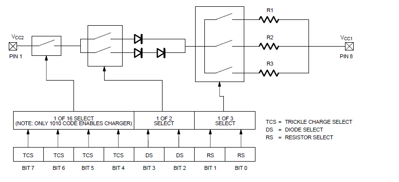
         Dallas半导体公司的DS1302涓流充电时钟芯片是一个可编程3线串行接口时钟芯片,可用超级电容或可充电电池备份系统的时间和日期,还提供31字节的非易失SRAM用于数据存储。由DS1302和超级电容构成的电源备份电路如图1所示,DS1302的VCC2接主电源,VCC1接超级电容正极。针对不同的电源备份系统,如可充电的镍氢电池、镍镉电池,还有容量不同的超级电容,DS1302专门提供了可编程涓流充电电路,以适应不同的充电电流要求,充电电路如图2所示。
         通过设置电路内的DS和RS控制位,可设置不同的最大充电电流IMAX。例如控制字是10100101,则表示选通了一只二极管,同时选通阻值为2kΩ的R1,IMAX计算公式如式1,式中的VDrop是二极管的电压降。

2016082415592146554.png

IMAX=(VCC2-n·VDrop)/R n=1,2 (1)
表1列出了IMAX计算值,对应VCC2的值是4.5V、5.0V、5.5V,有1只二极管和2只二极管两种情况,电阻值为2kΩ、42kΩ和82kΩ。

充电过程
         作为电源备份的元件,超级电容的充、放电特性是关注的重点,结合DS1302的可编程充电电路,在下面给出充电时电压V(t)及电流I(t)与时间的函数及放电时电压V(t)与时间的函数。
超级电容端电压与时间的函数可表示为式2。
V(t)=VMAX [1-e(-t/RC)] (2)
         V(t)为超级电容端电压,VMAX等于VCC2减去n·VDrop,R为内部涓流充电电阻,C是超级电容的容量。超级电容两端电压充电到VMAX的95%所需时间见表2。
充电电流与时间的函数可表示为式3。
I(t)=VMAX/R·e(-t/RC) (3)
I(t)为充电电流。
超级电容充电特性曲线如图3所示。

放电过程
         要知道DS1302使用超级电容放电的时间,则需要了解DS1302的特性参数ICC1T(时间保持电流),ICC1T呈线性变化,这意味着DS1302可以表示为阻性负载RL,超级电容通过此负载来放电。根据DS1302数据手册,在VCC1为2.5V时,ICC1T为0.3μA,这样RL约为8.3MΩ。在不考虑超级电容自放电影响的情况下,超级电容放电特性可表示为式4。
V(t)=VMAX·e(-t/RLC) (4)
RL为DS1302负载阻抗。电容放电至2V,根据上面公式计算的放电时间值见表3。
超级电容放电电压特性曲线见图4。
本文介绍了实时时钟DS1302与超级电容的应用实例,有助于设计人员使用超级电容完成时钟保持、数据保持等电路的设计。

2016062716585033736.jpg

2016062716585031866.jpg